全国服务热线:
+86-372-2595077/2595078/2595088
用途:
本系列产品是一种机电转换装置。在额定行程及额定电流范围内,其输出力与输入信号成比例。与比例控制放大器配套使用,可对电液比例阀的阀芯位置进行精确控制。它具有线性工作行程长,重复精度高,输出力大的特点。常作为直控式比例溢流阀、比例流量阀、比例节流阀和电液比例复合阀(PQ 阀)的动力元件。
主要技术参数
| 型号 | GP80-4-A | 
| 额定行程 (mm) | 8 | 
| 全行程 (mm) | ≥9 | 
| 额定电流 (A) | 0.68 | 
| 额定吸力 (N) | 100 | 
| 电阻/20℃ (Ω) | 40 | 
| 力滞环 (%) | ≤4 | 
| 电流滞环 (%) | ≤3 | 
| 通 电率 (%) | 100 | 
| 重复精度 (%) | ≤1 | 
| 承受静态油压 (MPa) | 21 | 
| 耐热等级 | F | 
* 处参数可根据实际应用订做。
正常工作条件
● 使用环境中应无足以腐蚀金属和破坏绝缘的气体和尘埃。
● 电磁铁适合长期工作制、断续周期工作制。
● 外壳防护等级为IP65。
稳态行程-力特性曲线

位移(mm)
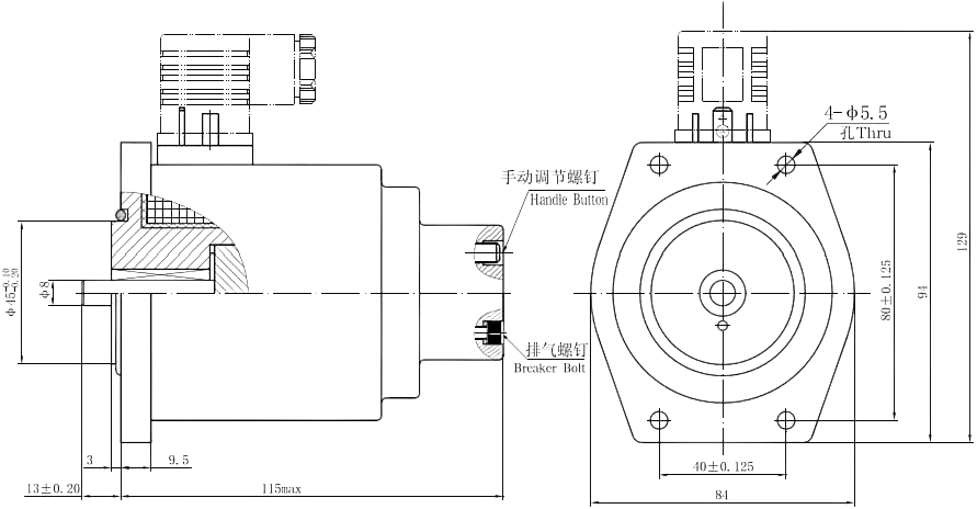
外形及安装尺寸

使用注意事项
● 安装位置
排气孔务必装在上方。
● 排气
为进行稳定的控制,请排净电磁铁内的空气,使电磁铁腔内充满油。
排气时,请缓缓松开电磁铁端部的排气螺钉。注意防止油液溅出。
● 手动调节螺钉
在初期调整或因电气故障使电磁铁没有输入电流时,可转动手动调节螺钉,临时设定阀的压力或流量。正常使用时请务必使手动调节螺钉返回原位。
样本说明
● 对超出本样本要求的应用场合,请询问本公司。
● 特性曲线仅供参考。
● 主要特性参数均为实验室条件下获得。本公司保留修改参数的权力。
 中文(简体)
 中文(简体) English
 English Русский
 Русский Espa?ol
 Espa?ol 
                         
             
                             
                             
                                             
                                             
                                             
                                             
                                             
                                             
                                             
                                             
                                             
                                             
                                             
                                             
                    