全国服务热线:
+86-372-2595077/2595078/2595088
用途:
防水接头类电磁铁应用领域广泛,外壳防护等级可达到IP67, 可用于工程机械液压阀控制系统中;产品耐环境变化能力超强,可用于环境温度为-40℃~+150℃的交变系统中;工作寿命更持久,产品可靠性更高,机械寿命可达2000万次,电气寿命可达1000万次;采用环保镀锌工艺,耐盐雾试验能力可达72小时无白锈,144小时无红锈,符合欧盟ROHS 出口产品要求;耐油压交变能力超强可在4Hz, 额定油压下承受交变载荷1000万次。
正常工作条件
● 可任意方向安装。
● 使用环境中应无足以腐蚀金属和破坏绝缘的气体和尘埃。否则,可能影响产品寿命。
● 电磁铁适合长期工作制、断续周期工作制。
● 电源电压的合理波动范围为85%-110% (特殊要求可订货时提出)。
● 外壳防护等级为IP67。
主要技术参数
| 型号 | MFZ12-37YC(DT/AMP) | MFZ12-90YC(DT/AMP) | 
| 额定电压 (V) | 12142428 | 12142428 | 
| 额定吸力 (N) | ≥37 | ≥90 | 
| 额定行程 (mm) | 2.8 | 4 | 
| 全行程 (mm) | ≥6.1 | ≥9 | 
| 消耗功率 (W) | ≤30 | ≤36 | 
| 承受油压 (MPa) | 21 | 21 | 
| 操作频率 (T/h) | 12000 | 12000 | 
订货代号
| 阀用电磁铁 | 直流 | 设计序号 | 额定吸力(N) | 湿式 | DT/AMP | 
| MF | Z | 12 | 37/90 | YC | DT德驰接头 AMP安普接头 | 
稳态行程-力特性曲线

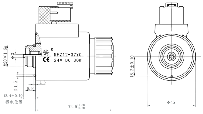
外形及安装尺寸
MFZ12-37YC(DT)

MFZ12-37YC(AMP)

MFZ12-90YC(DT)

MFZ12-90YC(AMP)

使用注意事项
● 电磁铁的手动推杆用于在调试时或紧急情况下,进行手动控制。但当系统背压较高,调节困难时,请使用十字螺丝刀缓推手动推杆,不宜使用冲击力,以免破坏手动推杆和导向内孔表面,造成电磁铁漏油或不能复位。
● 当双向使用电磁铁时, 一定要保证两个电磁铁不能同时通电,以免电磁阀不能正常工作。
● 电气控制系统与电磁铁连接部分之间应设有过流保护装置,以免在非正常情况下,烧毁电磁铁及您的电控元件。
样本说明
● 如顾客有不同的需要,在电磁铁性能不变的情况下,电磁铁与阀体的联结尺寸、推杆伸出长度及工作电源电压可以根据要求调整。
● 特性曲线仅供参考。
 中文(简体)
 中文(简体) English
 English Русский
 Русский Espa?ol
 Espa?ol 
                         
             
                             
                             
                                             
                                             
                                             
                                             
                                             
                                             
                                             
                                             
                                             
                                             
                                             
                                             
                    