全国服务热线:
+86-372-2595077/2595078/2595088
用途:
本系列电磁铁适用于直流电源的控制电路中,作为液压电磁换向阀的动力元件。可配套于日本油研(YUKEN)系列的六通螺纹联接的电磁换向阀。
正常工作条件
● 可任意方向安装。
● 使用环境中应无足以腐蚀金属和破坏绝缘的气体和尘埃。否则,可能影响产品寿命。
● 电磁铁适合长期工作制、断续周期工作制。
● 电源电压的合理波动范围为85%-110%(特殊要求可订货时提出)。
● 外壳防护等级为IP65。
主要技术参数
| 型号 | MFZ18-20YC | MFZ18A-20YC | 
| 额定电压 (V) | 1224 | 1224 | 
| 额定吸力 (N) | ≥20 | ≥20 | 
| 额定行程 (mm) | 3 | 3 | 
| 全行程 (mm) | ≥6 | ≥6 | 
| 消耗功率 (W) | 30 | 30 | 
| 承受静态油压 (MPa) | 21 | 21 | 
| 操作频率 (T/h) | 12000 | 12000 | 
订货代号
| 阀用电磁铁 | 直流 | 设计序号 | 额定吸力(N) | 湿式 | 
| MF | Z | 18/18A | 20 | YC | 
稳态行程-力特性曲线

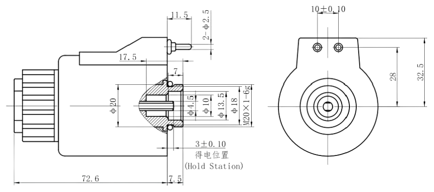
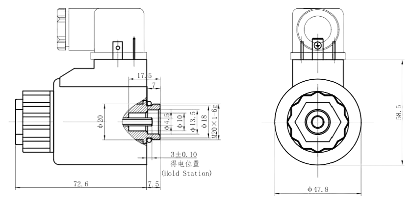
外形及安装尺寸
MFZ18-20YC

MFZ18A-20YC

使用注意事项
● 电磁铁的手动推杆用于在调试时或紧急情况下,进行手动控制。但当系统背压较高,调节困难时,请使用十字螺丝刀缓推手动推杆,不宜使用冲击力,以免破坏手动推杆和导向内孔表面,造成电磁铁漏油或不能复位。
● 电气控制系统与电磁铁连接部分之间应设有过流保护装置,以免非正常情况下,烧毁电磁铁及您的电控元件。
样本说明
● 如顾客有不同的需要,在电磁铁性能不变的情况下,电磁铁与阀体的联结尺寸、推杆伸出长度及工作电源电压可以根据要 求调整。
● 特性曲线仅供参考。
 中文(简体)
 中文(简体) English
 English Русский
 Русский Espa?ol
 Espa?ol 
                         
             
                             
                             
                                             
                                             
                                             
                                             
                                             
                                             
                                             
                                             
                                             
                                             
                                             
                                             
                    