全国服务热线:
+86-372-2595077/2595078/2595088
用途:
本系列产品是浇封型防爆双头比例电磁铁,应用于含有Ⅱ类爆炸气体的环境化工环境,由直流12V/24V电源驱动,与比例控制放大器配套使用,共同作用于HAWE型负载敏感比例多路阀。在额定行程及额定电流范围内,其输出力及位移与输入电流成比例,输出力在额定行程内恒定不变,输入电流在额定范围内的无级调节,可实现液压系统执行机构在额定范围内的无级调速、换向和远程控制。
主要技术参数
| 型号 | DTEBL21IⅡ类 | |
| 适用环境温度 (℃) | -20~+40 | |
| 额定电压 (V) | 20 | 12 | 
| 有效行程 (mm) | 1.2 | |
| 全行程 (mm) | ≥1.7 | |
| 额定吸力 (N) | 21 | |
| 力滞环 (%) | ≤3 | |
| 电流滞环 (%) | ≤6.5 | |
| 重复精度 (%) | ≤1 | |
| 额定电流 (A) | 0.63 | 1.33 | 
| *大电流 (A) | 0.63 | 1.33 | 
| 额定电阻20℃ (Ω) | 27 | 6 | 
| 额定功率 (W) | 10.7 | 10.7 | 
| *大功率 (W) | 15 | 15 | 
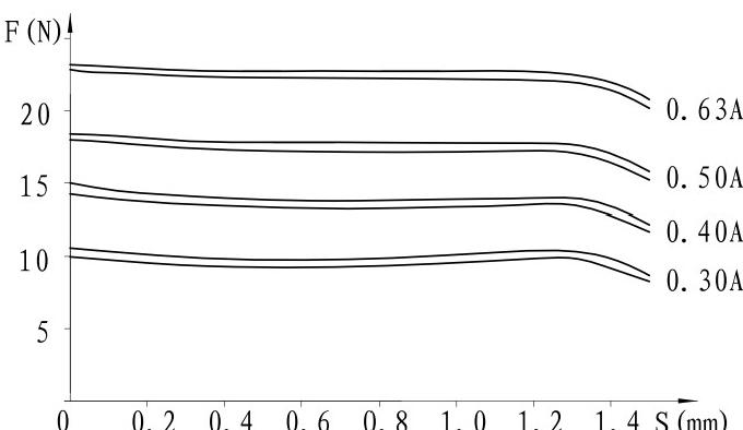
位移力特性曲线

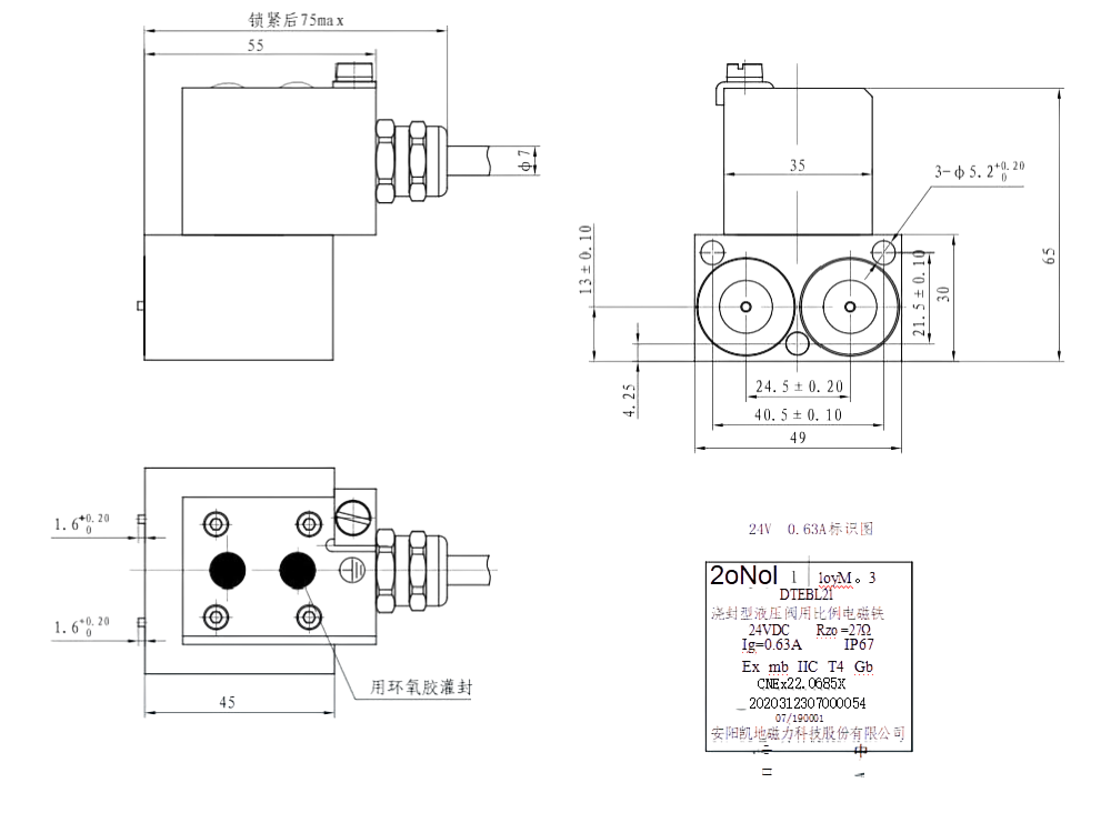
外形及安装尺寸

使用注意事项
● 电磁铁电缆长度可定制,*常见电缆长度为10米。
● 电气控制系统与电磁铁连接部分之间应设有过流保护装置,以免非正常情况下,烧毁电磁铁及您的电控元件。
● 液压系统工作介质为矿物油,磷酸脂油。
● 电磁铁为连续工作制。
样本说明
● 对超出本样本要求的应用场合,请询问公司。
● 特性曲线仅供参考。
● 主要特性参数均为实验室条件下获得。本公司保留修改参数的权力。
 中文(简体)
 中文(简体) English
 English Русский
 Русский Espa?ol
 Espa?ol 
                         
             
                             
                             
                                             
                                             
                                             
                                             
                                             
                                             
                                             
                                             
                                             
                                             
                                             
                                             
                    